
Czerpnia/Wyrzutnia powietrza aluminiowa KWO-AL 250 LINDAB – Ø250 mm | Siatka ze stali nierdzewnej
Wysokiej jakości aluminiowa czerpnia/wyrzutnia powietrza KWO-AL 250 renomowanej marki LINDAB. Przeznaczona do systemów wentylacyjnych jako zakończenie kanałów – umożliwia pobór lub wyrzut powietrza na zewnątrz budynku. Wyposażona w wewnętrzną siatkę ze stali nierdzewnej, która pełni funkcję ochronną przed zanieczyszczeniami i owadami.
Opis ogólny
Model KWO-AL 250 to solidna i trwała czerpnia lub wyrzutnia powietrza, wykonana z odpornego na warunki atmosferyczne aluminium. Wewnątrz elementu znajduje się siatka ze stali nierdzewnej, która chroni instalację wentylacyjną przed liśćmi, owadami i innymi zanieczyszczeniami. Produkt nie jest malowany – zachowuje naturalny wygląd aluminium, co sprawia, że dobrze komponuje się z elewacją budynku. Może być stosowany zarówno jako element nawiewny (czerpnia), jak i wywiewny (wyrzutnia).
Najważniejsze cechy produktu
Wykonanie z aluminium – lekka, trwała i odporna na korozję konstrukcja
Siatka zabezpieczająca ze stali nierdzewnej od strony wewnętrznej
Możliwość zastosowania jako czerpnia lub wyrzutnia
Naturalne, niemalowane wykończenie
Kompatybilność z systemami wentylacyjnymi LINDAB
Estetyczny wygląd i łatwy montaż
Dostępność w wielu średnicach przyłącza
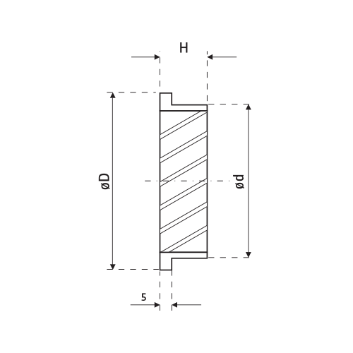
Tabela wymiarów i pakowania
| ød [mm] | øD [mm] | H [mm] | Siatka [mm] | Pakowanie [szt.] |
|---|---|---|---|---|
| 100 | 125,0 | 20 | 9×9 | 165 |
| 125 | 150,0 | 20 | 9×9 | 108 |
| 150 | 180,0 | 20 | 12×12 | 72 |
| 160 | 185,0 | 20 | 12×12 | 72 |
| 200 | 225,0 | 20 | 12×12 | 52 |
| 250 | 275,0 | 20 | 12×12 | 28 |
| 315 | 350,0 | 20 | 12×12 | 20 |
| 355 | 380,0 | 25 | 12×12 | 15 |
| 400 | 435,0 | 35 | 12×12 | 8 |
| 500 | 543,5 | 38 | 9×9 / 12×12 | 5 |
Zastosowanie
Systemy wentylacji mechanicznej nawiewno-wywiewnej
Zakończenia przewodów wentylacyjnych na elewacjach i dachach
Obiekty mieszkalne, przemysłowe, komercyjne
Dlaczego warto wybrać ten model
Trwała, bezobsługowa konstrukcja z aluminium
Ochrona instalacji dzięki stalowej siatce
Uniwersalne zastosowanie jako czerpnia lub wyrzutnia
Produkt marki LINDAB – gwarancja jakości i kompatybilności z systemami wentylacyjnymi
Estetyczny wygląd bez konieczności malowania
FAQ – Najczęściej zadawane pytania
Czy produkt jest odporny na warunki atmosferyczne?
Tak, korpus wykonany jest z odpornego na korozję aluminium, a siatka z nierdzewnej stali.
Czy można malować czerpnię?
Producent dostarcza ją w wersji niemalowanej, ale w razie potrzeby można pomalować we własnym zakresie.
Czy produkt pasuje do standardowych rur wentylacyjnych Ø250 mm?
Tak, średnica przyłącza wynosi 250 mm i jest kompatybilna z typowymi kanałami wentylacyjnymi.
Czy element można montować na elewacji?
Tak, jest to typowe zastosowanie – jako zakończenie kanału wentylacyjnego nawiewnego lub wywiewnego.
Czy produkt posiada zabezpieczenie przed owadami?
Tak, siatka ze stali nierdzewnej od wewnątrz pełni funkcję ochronną.
Nikt jeszcze nie napisał recenzji do tego produktu. Bądź pierwszy i napisz recenzję.
Tylko zarejestrowani klienci mogą pisać recenzje do produktów. Jeżeli posiadasz konto w naszym sklepie zaloguj się na nie, jeżeli nie załóż bezpłatne konto i napisz recenzję.