
Nazwa produktu
Uponor Vario S rozdzielacz z przepływomierzem FM 8X, nr 1086544
Opis produktu
Uponor Vario S FM to profesjonalny rozdzielacz wykonany z wysokiej jakości stali nierdzewnej, przeznaczony do systemów ogrzewania i chłodzenia płaszczyznowego. Model FM 8X wyposażony jest w osiem obwodów z przepływomierzami, które umożliwiają precyzyjne ustawienie przepływu w każdym obiegu. Konstrukcja rozdzielacza zapewnia wygodny montaż oraz łatwą obsługę – na belkach zasilającej i powrotnej znajdują się zawory napełniające i spustowe, a także odpowietrzniki.
Dzięki standardowym przyłączom Eurocone i kompaktowym wymiarom, produkt doskonale sprawdza się zarówno w instalacjach domowych, jak i komercyjnych. Rozdzielacz jest kompatybilny z siłownikami termicznymi i systemami automatyki, co pozwala na integrację z inteligentnym sterowaniem ogrzewaniem podłogowym.
Najważniejsze cechy produktu
Wysokiej jakości stal nierdzewna – trwałość i odporność na korozję
Osiem obiegów z przepływomierzami 0–5/l/min – precyzyjna regulacja
Zawory napełniające, spustowe i odpowietrzające w zestawie
Uniwersalne przyłącza: G/1" główne, G/3/4" Eurocone dla obiegów
Kompatybilność z siłownikami 230/V i 24/V
Przystosowany do pracy w systemach ogrzewania i chłodzenia podłogowego
Kompaktowe wymiary umożliwiają montaż w standardowych szafkach rozdzielczych
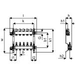
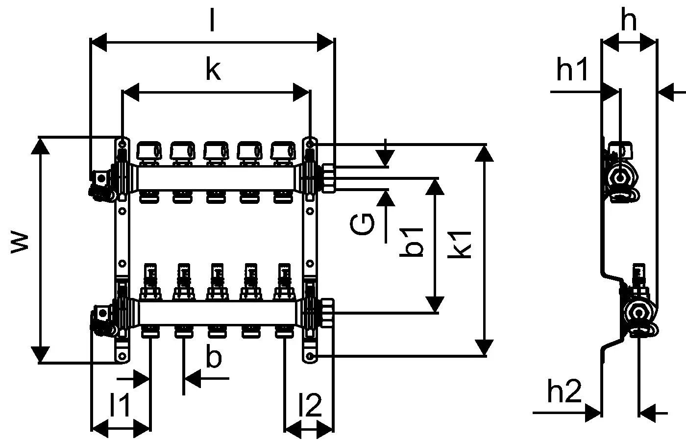
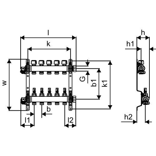
Dane techniczne
Materiał: stal nierdzewna
Liczba obiegów: 8
Zakres przepływu: 0–5/l/min
Maksymalne ciśnienie robocze: 6/bar
Maksymalna temperatura pracy: 60/°C
Przyłącze główne: G/1" z ruchomą nakrętką
Przyłącza obiegów: G/3/4" Eurocone
Odstęp między obiegami: 50/mm
Wymiary: długość ok. 565/mm, szerokość ok. 235/mm, wysokość ok. 85/mm
Masa: ok. 5/kg
Nikt jeszcze nie napisał recenzji do tego produktu. Bądź pierwszy i napisz recenzję.
Tylko zarejestrowani klienci mogą pisać recenzje do produktów. Jeżeli posiadasz konto w naszym sklepie zaloguj się na nie, jeżeli nie załóż bezpłatne konto i napisz recenzję.